MPPT ALGORTHIM
The purpose of this work is to obtain such
an experimental comparison and to suggest which MPPT control algorithm is the
most effective on the basis of MPPT efficiency, which is defined as:
where Pactual is the actual (measured)
power produced by the PVarray under the control of the MPPT, and Pmax is the
true maximum power the array could produce under a given temperature and
irradiance. In this work, only MPPT algorithms that could presently be
implemented in a low-cost MPPT were considered.
Fuzzy logic and DSP-based systems were
therefore excluded, and the following MPPT algorithms were chosen for further
investigation:
1. PERTURB
AND OBSERVE (P&O)
2. INCREMENTAL
CONDUCTANCE (INC)
3. PARASITIC
CAPACITANCE (PC)
4. CONSTANT
VOLTAGE (CV)
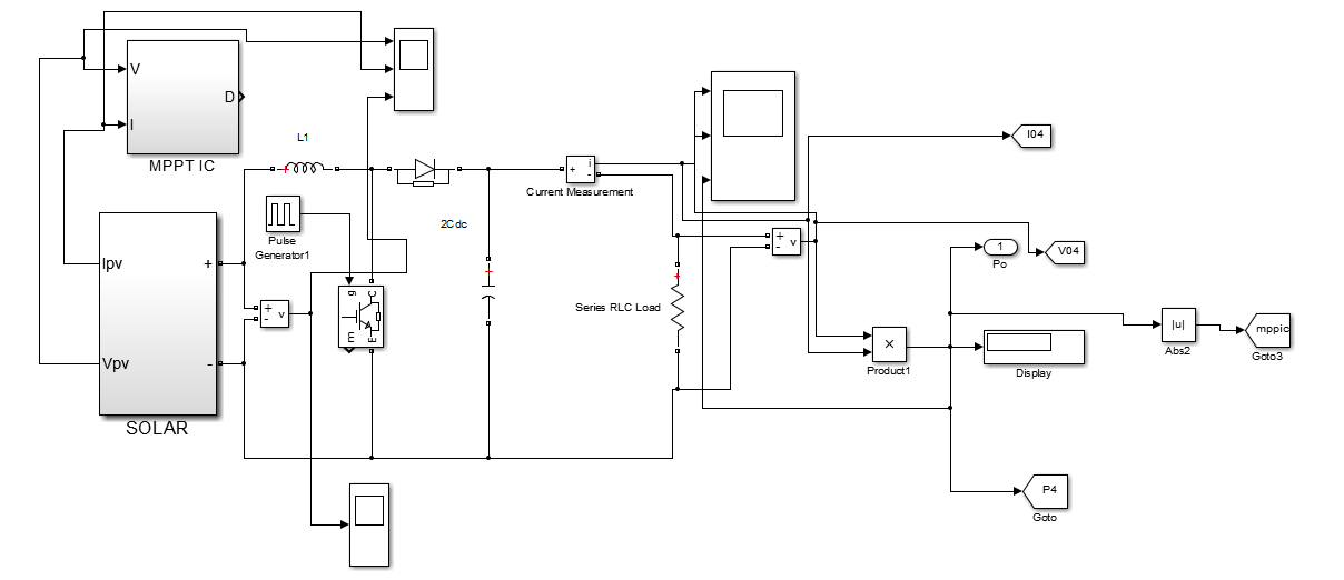
SIMULATION MATLAB
PERTURB-AND-OBSERVE
PO Algorthim
INCREMENTAL
CONDUCTANCE
CONSTANT VOLTAGE
CONSTANT CURRENT
COMPARISION



















